W5500 network shield comes with W5500 network module as core.
Special note: We used version 1.5.6 of the IDE during testing, which is not compatible with other versions of the IDE.
It can make as simple Web server, or write and read the High/Low level of digital pins, or analog value of analog pins via network control.
It is compatible with both keyestudio UNO R3 and Mega 2560 R3 development board.
When using, stack the W5500 shield onto UNO board, and upload the program to control board, which can make a simple Web server.
You can quickly make your controller access to internet to build your network application.
At the same time, it also supports mini SD card (TF card) read and write.
You can direct stack the W5500 Network shield onto control board, or stack other expansion boards on this Network shield.
The shield has four 3mm fixing holes, easy to mount on any other devices.
Technical Parameters:
Input voltage: DC 5V
Working voltage: DC 3.3V
Working current: about 380mA
Maximum power: 3W
Working temperature: -55℃ ~ +75℃
Network transformer interface type: RJ-45
Female header pitch: 2.54mm
TF socket: self-popping
Fixed hole diameter: 3mm
Dimensions: 65mm*50mm*27mm
Weight: 25g
W5500 full hardware TCP/IP protocol stack network chip:
Support high speed SPI bus (SPI mode 0, 3);
Support hardware TCP/IP protocol: TCP, UDP, ICMP, IPv4ARP, IGMP, PPPoE;
Embedded 10/100Mbps Ethernet physical layer;
Support auto answer (full duplex / half duplex mode);
Multiple indicator signal outputs (full/half duplex);
Support 8 independent ports to connect at the same time;
Internal 32K byte memory for TX/RX buffer;
Support sleep mode and network wake-up;
3.3V working voltage, I/O port can withstand 5V voltage
Ultra small 48P/N LQFP lead-free package
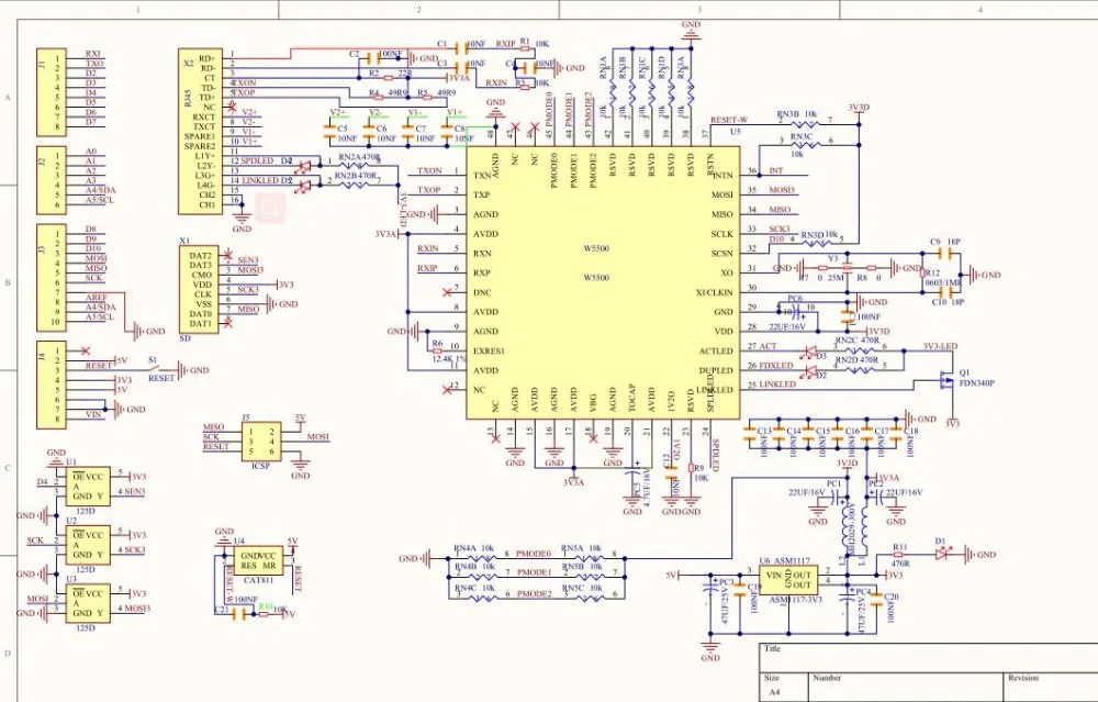
Schematic diagram





schematic diagram













